Products & Services

产品与服务

紧凑型记忆金属分离螺母

  • 总体描述
  • 技术优势


凑型记忆金属分离螺母(SBN-S系列是SBN常规系列分离螺母的轻小型优化改进型号,其工作原理和SBN常规系列相同,采用优化记忆金属丝训练工艺、加严记忆金属驱动器装配及筛选工艺、结构优化设计等技术手段,在保证分离螺母主要性能指标前提下有效缩减了产品包络尺寸(高度降低了约25%),降低了产品重量(重量减轻了约23%),非常适合狭小空间下有效载荷的锁紧释放,例如太阳翼压紧释放、小型激光终端锁紧释放等。

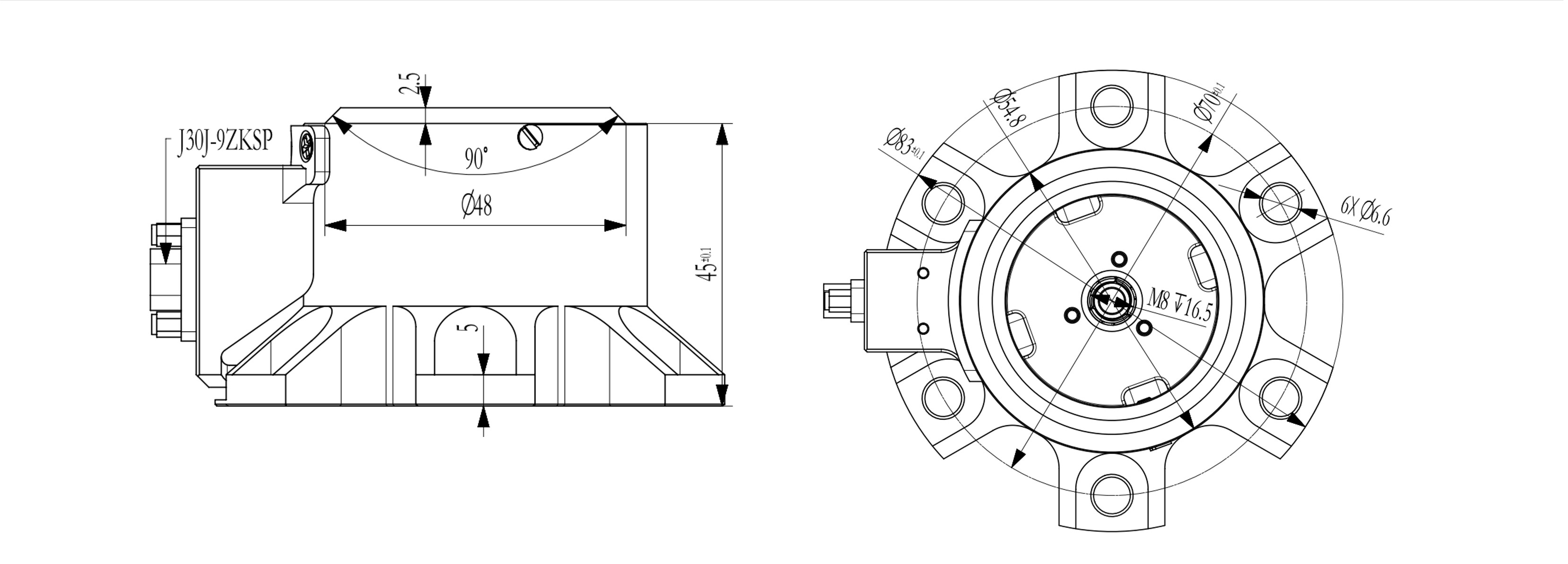
SBN-S系列分离螺母有多种接口,上端安装为标准接口(STD, Standard interface),还提供下端安装(BM,Bottom Mount) 、两端安装(TM,Two-side Mount)接口,载荷能力范围 1~15kN。



SBN-S系列记忆金属分离螺母在研制过程中充分考虑了各类使用场景下的特殊要求,经历了多轮次设计迭代、验证,充分优化了产品各项指标,其技术特点及优势如下:

  • 小包络:高度尺寸相对于常规SBN系列减小约25%; 

  • 低冲击解锁冲击相对于火工品降低1~2个数量级;

  • 无污染:解锁过程不产生烟尘、破片等多余物,不会对光学及其它精密设备造成污染;

  • 快速释放:大电流下,室温常压解锁最快35ms;

  • 快速复位:可在1分钟内完成复位;

  • 冗余驱动:内部设置两路记忆金属驱动器,实现冗余驱动;

  • 同步性高:大电流下,室温常压解锁同步性<2ms;

  • 状态指示:内部集成冗余行程开关,其状态在解锁前后会发生变化,以指示解锁状态;

  • 抗偏载强:内部设计偏摆结构,使得分离螺母内核能在产品外壳内偏摆±2°,降低对被锁紧结构同轴度要求;

  • 重量轻:采取轻量化设计,重量相对于SBN常规系列减小约23%;

  • 飞行验证:产品所采用的材料、工艺均通过飞行验证;

  • 接口定制:可调节回路电阻以适应宽幅供电电压,可设计机械接口以适应各类结构锁紧。


1、极限载荷是指产品能承受的最大载荷,≥额定载荷×1.8;

2、测试载荷是指在出厂时测试采用的载荷,≥额定载荷×1.2;

3、解锁冲击与预载大小、连接结构情况等相关;

4、解锁时间受工作电流、环境温度、环境压力等影响;

5、可根据客户需求调整回路电阻,以适应更宽的供电电压;

6、质量包括4X0.3m C55/0112-22-9 导线。